Hebei Shanghong Meters Technology Co., Ltd. is one of the leading manufacturers and suppliers of large diameter wireless remote ultrasonic water meter in China. If you're going to wholesale high quality large diameter wireless remote ultrasonic water meter, welcome to get pricelist and quotation from our factory.
Product Description

It is a metering instrument to continuously measure, record, and display the volume of water flowing through the sensor by use of the ultrasonic time difference method. Please read this manual carefully before use, to use it to the best advantage and avoid unnecessary loss.
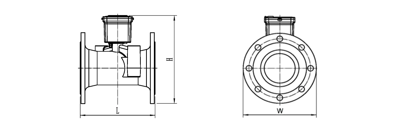
outline dimension drawing

|
Nominal diameter(mm) |
Length L |
Width W | Hight H | Flange Connection | ||
| Flange Diameter | Bolt Circle Diameter | Bolt Size-M | ||||
| DN50 | 200 | 170 | 215 | 170 | 125 | 4-M16 |
| DN65 | 200 | 185 | 220 | 185 | 145 | 4-M16 |
| DN80 | 225 | 200 | 235 | 200 | 160 | 8-M16 |
| DN100 | 250 | 200 | 255 | 220 | 180 | 8-M16 |
| DN125 | 250 | 250 | 285 | 250 | 210 | 8-M16 |
| DN150 | 300 | 285 | 335 | 285 | 240 | 8-M20 |
| DN200 | 350 | 340 | 405 | 340 | 295 | 12-M20 |
| DN250 | 450 | 405 | 470 | 405 | 355 | 12-M24 |
| DN300 | 500 | 460 | 525 | 460 | 410 | 12-M24 |
notices for installation
★ Flush pipes before installation to avoid gravel and other foreign objects;
★ Install a valve and filter before the water meter;
★ Do not touch the electrical part or pull wires to avoid damage during installation;
★ Reserve an adequate space for maintenance during installation;
★ When the water meter is installed in a horizontal or inclined way, the ultrasonic flow probe on pipes shall be placed
horizontally, and when installed vertically, make sure the water flows from down to up.
★ Please note that the arrow direction on the pipe shall be consistent with the water flow direction during installation;
★ The joint washer shall be installed correctly to avoid misaligned washer blocking water and affecting the accuracy of the water meter;
★ The water meter shall not be installed at a place that may be affected by strong mechanical vibrations;
Special Notices: 1. Be sure to install an on-off valve and filter before the water meter and another on-off valve is recommended after it for maintenance;
★ If the ultrasonic water meter is installed through the flange, make sure the parallelism between the water meter flange and pipe flange is not more than 0.5% of the flange's outer diameter and is less than 2mm, otherwise it may result in damage to the water meter.

★ Before using this water meter, the pipe must be filled with water, otherwise it will lead to inaccurate or even non-measurement.
★ When installing the water meter, it should be reserved length of DN*10 in front of the water meter. Or it should be reserved the length of DN*5 behind the water meter.
★ The water meter shall refresh the display every 4s, and read the water meter (including the starting value and end
value) 4s at least after the valve is closed when testing the water meter, otherwise the testing results may be affected;
★ Please make sure the medium flow is within the flow range of the water meter during test and use, otherwise it may result
in damage to the water meter;
★ In case of any malfunction (e.g. metering failed, etc.) during use, please contact the related management department
immediately and do not repair it by yourself;
★ The product is designed with a disposable anti-disassembly seal which shall be removed only by appointed personnel, or
otherwise, it shall be excluded from the free after-sales service.

certificate

factory

packaging and inventory

our client

Hot Tags: large diameter wireless remote ultrasonic water meter, manufacturers, wholesale, pricelist, quotation, IP68 Double Flange Ultrasonic Water Meter Support Integrate System Forresidential Building, Large caliber Ultrasonic Remote Water Meter, Remote Reading Ultrasonic Water Flow Meter, RS485 Water Meter Wireless Remote Digital High Accuracy Ultrasonic Cold Water Meter, Ultrasonic Smart Remote Water Meter, Wireless Remote Iso 4064 Class B Digital 200mm Flange Ultrasonic Smart Water Meter














