Hebei Shanghong Meters Technology Co., Ltd. is one of the leading manufacturers and suppliers of digital cast iron bulk ultrasonic water meters supplier in China. If you're going to wholesale high quality digital cast iron bulk ultrasonic water meters supplier, welcome to get pricelist and quotation from our factory.
Product Description

It is a metering instrument to continuously measure, record, and display the volume of water flowing through the sensor by use of the ultrasonic time difference method. Please read this manual carefully before use, to use it to the best advantage and avoid unnecessary loss.
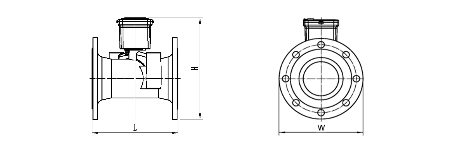
Outline Dimension Drawing

|
Nominal diameter(mm) |
Length L |
Width W | Hight H | Flange Connection | ||
| Flange Diameter | Bolt Circle Diameter | Bolt Size-M | ||||
| DN50 | 200 | 170 | 215 | 170 | 125 | 4-M16 |
| DN65 | 200 | 185 | 220 | 185 | 145 | 4-M16 |
| DN80 | 225 | 200 | 235 | 200 | 160 | 8-M16 |
| DN100 | 250 | 200 | 255 | 220 | 180 | 8-M16 |
| DN125 | 250 | 250 | 285 | 250 | 210 | 8-M16 |
| DN150 | 300 | 285 | 335 | 285 | 240 | 8-M20 |
| DN200 | 350 | 340 | 405 | 340 | 295 | 12-M20 |
| DN250 | 450 | 405 | 470 | 405 | 355 | 12-M24 |
| DN300 | 500 | 460 | 525 | 460 | 410 | 12-M24 |
Meter Display Content
P1: In the last interface of P1, keep covering the sensing area for more than 3S to enter P2 and repeat this operation to enter P3 , P4

P2: Cumulative flow of the historical month

P3: For internal debugging and testing, it does not have any meaning.
P4: Test status

| Mode | No. | Display Description |
| P1 | 1 | Cumulative flow |
| 2 | Temperature | |
| 3 | Size | |
| 4 | Flow rate | |
| 5 | Negative cumulative flow | |
| 6 | Net cumulative flow | |
| 7 | Working time | |
| 8 | Sensor status | |
| 9 | Power voltage | |
| P2 | Cumulative flow of the historical month | |
| P3 | For internal debugging and testing, it does not have any meaning | |
| P4 | 1 | Cumulative flow |
| 2 | Coefficient | |
| 3 | Flow rate | |
| 4 |
Working time |
|
Note: The display interface of the meter is subject to change for customization or upgrading.
Factory

Packaging and Inventory

Our Client

Hot Tags: digital cast iron bulk ultrasonic water meters supplier, manufacturers, wholesale, pricelist, quotation, IP68 Double Flange Ultrasonic Water Meter Support Integrate System Forresidential Building, Large caliber Ultrasonic Remote Water Meter, Remote Reading Ultrasonic Water Flow Meter, RS485 Water Meter Wireless Remote Digital High Accuracy Ultrasonic Cold Water Meter, Ultrasonic Smart Remote Water Meter, Wireless Remote Iso 4064 Class B Digital 200mm Flange Ultrasonic Smart Water Meter












